Sistema de Bibliotecas SENA
Estructura curricular:
Albañilería en restauración de edificaciones
Módulo: Recuperación de elementos y características arquitectónicas
Servicio Nacional de Aprendizaje SENA
Dirección Regional
Darío Montoya Mejía
SENA Regional Cladas Dirección General
Francisco Javier Jaramillo Hoyos
Centro de Industria y construcción
Subdirector de Centro
Orlando López Vinasco
Equipo de trabajo elaboración Estructura Curricular:
Asesoría Pedagógica:
Dra. Luz Helena Gómez D.
Instructores:
Tec. Ubaldo González A.
Tec. Fabio Ancízar Yepez C.
Arq. Gloria Amparo García H.
Asesoría Técnico Pedagógica:
Bibliotecas SENA regional Caldas
Escuela taller Cartagena de Indias
Arquitectos:
Germán Bustamante - Director
Germán Fonseca - Coordinador de estudios
Rodrigo Arteaga - Docente
SENA Regional Bolivar:
Dr. Amoldo Solano - Subdirector de Centro de Industria y Construcción
José de los Reyes Torres - Coordinador académico
Ingenieros:
Pedro Tapia - Instructor
Rafael Imitola Castilla - Instructor
Elaboración de la cartilla didáctica:
Instructores:
Arq. Gloria Amparo García Henao
Arq. Aparicio Mejía Rendón
Gráficas:
Arq. Aparicio Mejía Rendón
Diseñador Visual:
Andrés Hernando Vallejo Castaño
Secretaría de cultura del departamento de Caldas
Universidad nacional de Colombia sede Manizales
Biblioteca Central
Biblioteca facultad de Arquitectura
“Prohibido la reproducción parcial o total con ánimo de lucro. Su distribución es gratuita y su utilización para fines exclusivos de la Formación Profesional Integral del SENA”
A través de la historia el hombre ha dejado huella con sus obras arquitectónicas, que en gran medida son el legado que hoy aun disfrutamos por su grandeza y majestuosidad en algunas culturas y por su atrevimiento y osadía en otras. A ellas se hace mención cada día por las enseñanzas y los conocimientos vigentes hasta hoy.
La estructura y la mampostería, son las que determinan los espacios interiores y exteriores; muestran las características y conceptos de las diferentes épocas y los periodos de la historia; en ellos se reflejan la belleza de la arquitectura, la perennidad en el tiempo y la manifestación de espacios en su interrelación con el hombre. Es el enlace del pasado y el presente además de ser un libro de consulta para la ingeniería.Su papel fundamental en las obras antiguas y las intervenciones presentes, hacen que la investigación, el estudio y la aplicación de técnicas sea permanente y cotidiano, así se podrá continuar disfrutando de un legado, posicionado universalmente y que hoy se disfruta con mayor interés.
En la presente cartilla se muestran los procesos desde diferentes facetas; de manera tal, que sus enseñanzas puedan ser aplicadas en el diario quehacer de la albañilería, por su amplio campo de aplicación.
Concreto del recubrimiento: Es el concreto localizado por fuera del refuerzo transversal del confinamiento.
Columna: Elemento estructural (vertical), cuya solicitud principal es la carga axial de compresión, acompañada o no de momentos flectores, torsión o esfuerzos cortantes.
Las dimensiones mínimas de las columnas de la estructura principal según la nsr 98 son de un diámetro mínimo de 0.25 m para secciones circulares y una dimensión mayor a 0.20 m con área de 0.06 m3 para columnas con área rectangular.
Concreto: Mezcla homogénea de material cementante, agregados inertes yagua, con o sin aditivos.
Concreto ciclópeo: Mezcla de concreto simple y agregado grueso seleccionado con tamaños entre los 150 y 300 mm, utilizada para la construcción de elementos estructurales que trabajan predominantemente a compresión.
Concreto de peso normal: Se entiende por concreto de peso normal aquel en el cual se han utilizado agregados inertes cuya masa específica es mayor que 1840kg/m3.
Concreto estructural: El concreto estructural cubre el concreto simple y el concreto reforzado utilizado para propósitos estructurales.
Manguera de niveles: De media pulgada de diámetro y de 10 ó 15 m de longitud. En algunas casas es importante un nivel de hilo y siempre con una madeja de hilo o piola, de aprox. 20 m. El hilo templado sirve para determinar irregularidades en los muros (pandeos. curvaturas, entre otros) y para obtener las alturas de las claves en los arcos y los recorridos o perfiles de los mismos cuando muestran irregularidades.
Nivel metálico: De aproximadamente 40 centímetros de longitud.
Escuadra: Plástica o metálica, tamaño grande (aproximadamente 60 cm de hipotenusa).
Pesa de centro: Con su piola de aprox. 10 m de longitud.
Una vara delgada: De tres o más metros de longitud. Se emplea para facilitar tomas de plomos y de medidas.
Linternas: Grande y pequeña. Es de gran importancia y necesidad pues en muchas ocasiones no todos los sitios del .
inmueble tienen facilidades de iluminación natural o artificial.
Escalera: Como mínimo una escalera de tres metros.
Extensión eléctrica: Es indispensable para poder conectar algunos equipos y para poder llevar luz a algunos sitios.
Concreto ligero: Concreto que contiene agregado ligero, cuya masa específica no excede 1840 kg.jm3, y por lo tanto el concreto producido con ellos tiene una masa especifica inferior al del concreto de masa normal. este tipo de concreto no puede utilizarse sin una aprobación especial de la "comisión asesora permanente para el régimen de construcciones sismo resistentes", debido a sus propiedades de baja resistencia a los esfuerzos cortantes.
Concreto preesforzado: Concreto que previamente a su utilización se somete a tratamientos mecánicos destinados a crear esfuerzos de compresión en las zonas que posteriormente reciben esfuerzos de tracción debidos a la aplicación de las cargas.
Concreto reforzado: Material constituido por concreto que tiene un refuerzo en barras de acero corrugado, estribos transversales o mallas electrosoldaduras, colocadas
principalmente en las zonas tracción, en cuantías superiores a las mínimas especificadas.
Concreto simple:El que no tiene acero de refuerzo, o lo tiene en cuantías menores a las mínimas especificadas en la nsr 98.
Curado: Proceso mediante el cual el concreto endurece y adquiere resistencia, una vez colocado en su posición final.
Diafragmas estructurales: Son conjuntos de elementos estructurales, tales como las losas de entrepiso o de cubierta, que transmiten las fuerzas inerciales a los elementos.
Encofrados y formaletas: Moldes con la forma y las dimensiones de los elementos estructurales, en los cuales se coloca el refuerzo y se vierte el concreto fresco.
Estribo y fleje: Elementos que corresponden a una forma de refuerzo transversal, utilizados para resistir esfuerzos cortantes, de torsión y para proveer confinamiento al elemento, consistentes en barras corrugadas, barras lisas, alambres o mallas electro soldadas, de una o varias ramas, dobladas en forma de l, u, c, o rectangulares y colocados perpendicularmente al refuerzo longitudinal o formando un
ángulo con él en elementos que llevan cargas de compresión, como en las columnas, el estribo debe abrazar el refuerzo longitudinal para evitar que éste falle por pandeo y no puede ser fabricado con alambre o malla electrosoldada. en este caso puede ser también una barra continua que se enrolla alrededor del refuerzo longitudinal formando círculos, rectángulo o cualquier otra forma poligonal sin tener esquinas hacia adentro de la sección. cuando cumple ciertos límites de cuantía volumétrica se denomina refuerzo en espiral.
Estribo de confinamiento: Es un estribo rectangular cerrado, de barra de diámetro al menos no. 3.
Curado: Proceso mediante el cual el concreto endurece y adquiere resistencia, una vez colocado en su posición final.
Diafragmas estructurales: Son conjuntos de elementos estructurales, tales como las losas de entrepiso o de cubierta, que transmiten las fuerzas inerciales a los elementos del sistema de resistencia sísmica.
Encofrados y formaletas: Moldes con la forma y las dimensiones de los elementos estructurales, en los cuales se coloca el refuerzo y se vierte el concreto fresco.
Estribo y fleje: elementos que corresponden a una forma de refuerzo transversal, utilizados para resistir esfuerzos cortantes, de torsión y para proveer confinamiento al elemento, consistentes en barras corrugadas, barras lisas, alambres o mallas electro soldadas, de una o varias ramas, dobladas en forma de l, u, c, o rectangulares y colocados perpendicularmente al refuerzo longitudinal o formando un ángulo con él.
En elementos que llevan cargas de compresión, como en las columnas, el estribo debe abrazar el refuerzo longitudinal para evitar que éste falle por pandeo y no puede ser fabricado con alambre o malla electrosoldada.
En este caso puede ser también una barra continua que se enrolla alrededor del refuerzo longitudinal formando círculos, rectángulo o cualquier otra forma poligonal sin tener esquinas hacia adentro de la sección. Cuando cumple ciertos límites de cuantía volumétrica se denomina refuerzo en espiral.
Estribo de confinamiento: Es un estribo rectangular cerrado, de barra de diámetro al menos no. 3 (3/8") o (10mm), o un estribo continuo enrollado alrededor del refuerzo longitudinal.
Los estribos de confinamiento pueden componerse de varios elementos de refuerzo, pero todos ellos deben tener en sus
extremos ganchos sísmicos de 135°, o más, con una extensión de 6 diámetros de barra pero no menor de 75 mm, que abrazan el refuerzo longitudinal.
Estribo suplementario: Es un elemento de refuerzo transversal fabricado con barra de diámetro no. 3 (3/8") o (10 mm) o mayor, que tiene en sus extremos un gancho sísmico de 135°, o más, con una extensión de 6 diámetros de barra, pero no menor de 75 mm, y se permite que uno de sus extremos utilice un gancho de 900, o más, con una extensión de 6 diámetros de barra. los ganchos deben abrazar las barras longitudinales de la periferia de la sección.
Los extremos doblados de 90° de dos estribos suplementarios que abracen las mismas barras longitudinales deben alternarse de extremo. Los estribos suplementarios deben ser fabricados del mismo diámetro y resistencia a la fluencia de los estribos de confinamiento principales.
Junta de construcción: Interrupción de la colocación del concreto, ya sea temporal, de construcción, o permanente.
Junta de expansión: Separación entre porciones adyacentes de la estructura de concreto, localizada en un lugar
establecido
momentos y fuerzas axiales inducidas por cargas verticales y horizontales. un muro de cortante es un muro estructural.
Nudo: es la porción de columna limitada por las superficies superiores e inferiores de las vigas que llegan a ella.
Pórtico: Conjunto estructural constituido por vigas y columnas unidas rígidamente.
Prefabricado: Elemento de concreto, con o sin esfuerzo, que se construye en un lugar diferente al de su posición final dentro de la estructura.
Refuerzo: Acero en una de las tres formas siguientes, colocado para absorber esfuerzos de tracción, de compresión, de corte o de torsión en conjunto con el concreto:
Riostra: Elemento de un diafragma estructural que se utiliza para proveer continuidad alrededor de una abertura en el diafragma.
durante el diseño de la estructura, de tal manera que no interfiera con el comportamiento de la estructura y que al mismo tiempo permita movimientos en las direcciones apropiadas; y que impida la formación de fisuras y grietas en otras partes de la estructura. en la junta se puede interrumpir parte o todo el refuerzo adherido que la atraviese.
Junta de contratación: Junta de construcción, o junta parcial (una reducción del espesor del elemento) utilizada para reducir la aparición de esfuerzos internos causada por la restricción a los movimientos causados por retracción de
fraguado, flujo plástico, o variaciones de la temperatura, en elementos de concreto simple.
Losa: Elemento estructural horizontal, o aproximadamente horizontal, macizo o con nervaduras, que trabaja en una o dos direcciones, de espesor pequeño en relación con sus otras dos dimensiones.
Muro: Elemento cuyo espesor es mucho menor en relación con sus otras dos dimensiones, usualmente vertical, utilizado para delimitar espacios.
Muro estructural: Son muros que se dimensionan y diseñan para que resistan la combinación de fuerzas cortantes.
Viga: Elemento estructural, horizontal o aproximadamente horizontal, cuya dimensión longitudinal es mayor que las otras dos y su solicitación principal es el momento flector, acompañado o no de cargas axiales, fuerzas cortantes y torsiones.
Vigueta o nervadura: Elemento estructural que forma parte de una losa nervada, el cual trabaja principalmente a flexión.
Sustancia de polvo fino hecha de argamasa de yeso capaz de formar una pasta blanda al mezclarse con agua y que se endurece espontáneamente en contacto con el aire.
Los cementos Portland típicos consisten en mezclas de silicato tricálcico (3CaO'Si02), aluminato tricálcico (3CaO'AI203) y silicato di cálcico (2CaO'Si02) en diversas proporciones, junto con pequeñas cantidades de compuestos de hierro y magnesio. Para retardar el proceso de endurecimiento se suele añadir yeso.
Antiguamente se llamaba así a los morteros en general (sustancias que mezcladas con agua se endurecían y cumplían esta función) y aunque se conocían antes, se puede afirmar que han sido utilizados a partir del siglo XVIII.
Se fabrica a partir de materiales calizos, por lo general piedra caliza, junto con arcillas, pizarras o escorias de altos hornos que contienen óxido de aluminio y óxido de silicio, en proporciones aproximadas de un 60% de cal, 19% de óxido de silicio, 8% de óxido de aluminio, 5% de hierro, 5% de óxido de magnesio y 3% de trióxido de azufre. Ciertas rocas llamadas rocas cementosas presentan en su composición
estos elementos en proporciones adecuadas y se puede obtener cemento a partir de ellas sin necesidad de emplear grandes cantidades de otras materias primas. No obstante, las cementeras suelen utilizar mezclas de diversos materiales.
Para homogenizar la piedra caliza (materia prima) en la fabricación del cemento se lleva a trituradora primaria, para obtener trozos homogéneos de aproximadamente 2", se introduce en trituradora secundaria para formar una crema que pasa a balsas homogeneizadoras, posteriormente su cocción se inicia en un horno rotatorio de más de 150 m de largo y 3,2 m de diámetro, éstos hornos están ligeramente inclinados, a los cuales se introducen las materias primas por la parte superior, ya sea en forma de polvo seco de roca o como pasta húmeda (la más utilizada). A medida que desciende a través del horno, se va secando y calentando con una llama situada al fondo de las balsas.
Según se acerca a la llama se separa el dióxido de carbono y la mezcla se funde a temperaturas entre 1.540 y 1.600 oC. El material tarda unas seis horas en pasar de un extremo a otro del horno, después de salir del horno, en forma de esferas de aproximadamente 3" de diámetro, se enfría con rapidez, se deposita en molinos especiales para pulverizar, allí se le
adiciona ocasionalmente yeso para mejorar la calidad. Se transporta a una empaquetadora, a silos o depósitos de almacenamiento. El material obtenido tiene una textura tan fina que el 90% o más de sus partículas podrían atravesar un tamiz o colador con 6.200 agujeros por centímetro cuadrado.
En los hornos modernos se pueden obtener de 27 a 30 Kg. de cemento por cada 45 Kg. de materia prima. La diferencia se debe sobre todo a la pérdida de agua y dióxido de carbono. Por lo general, en los hornos se quema carbón en polvo, También se utilizan gases y otros combustibles derivados del petróleo.
El cemento tipo Portland es el más usado (comercialmente). Este es uno de los elementos más importantes de la construcción, sobre todo en países como el nuestro donde forma parte de nuestra identidad. Por su fraguado (endurecimiento) los cementos pueden ser rápidos o lentos según éste termine antes o después de una hora.
Aleación de hierro que contiene entre un 0,04 y un 2,25% de carbono ya la que se añaden elementos como níquel, cromo, manganeso, silicio o vanadio, entre otros.
El acero se obtiene eliminando las impurezas del arrabio, el primer producto de la fusión del hierro y el coque, producto de fundición de los altos hornos, el cual se obtiene aproximadamente a los 1650°C y añadiendo después las cantidades adecuadas de carbono y otros elementos. La principal dificultad para la fabricación del acero es su elevado punto de fusión, 1.400 oC.
Una vez en el alto horno, los tres componentes se funden a los 1650° C, que aviva el fuego y quema el coque, produciendo monóxido de carbono el cual produce más calor y extrae el oxígeno del mineral de hierro dejándolo puro. La alta temperatura funde también la caliza, que siendo menos densa flota en el crisol combinándose con las impurezas sólidas del mineral formando la escoria, que se extrae diez minutos antes de cada colada.
Para obtener una tonelada de arrabio, se requieren aproximadamente las siguientes cantidades de materia prima:
Mineral de hierro: Tiene un color rojizo debido al óxido de fe.
Cogue: Es el producto de la combustión del carbón mineral (grafito) es ligero, gris y lustroso.
Para convertir el coque en carbón mineral se emplean bate rizo de hierro donde el carbón se coloca eliminándole el gas y alquitrán, después es enfriado, secado y cribado para enviarlo a los altos hornos (Coah).
Piedra caliza: Es carbonato de calcio de gran pureza que se emplea en la fundición de acero para eliminar sus impurezas (Nuevo León).
En 1855, Henry Bessemer desarrolló el horno o convertidor que lleva su nombre y en el que el proceso de refinado del arrabio se lleva a cabo mediante chorros de aire a presión que se inyectan a través del metal fundido.
En el proceso Siemens-Martin, o de crisol abierto, se calientan previamente el gas combustible y el aire por un procedimiento regenerativo que permite alcanzar temperaturas de hasta 1650°C.
Los hornos de hoyo abierto se cargan con las cantidades indicadas, (se introducen con algo de chatarra para reciclarlo), mediante grúas mecánicas; se agregan 200 toneladas de arrabio líquido para completar la carga.
Dentro del horno, la carga formada por 1/3 parte de chatarra y 2/3 partes de arrabio, se refina por calor producido al quemar gas natural o aceite diesel y alcanzar temperaturas mayores a los 1650 O C. Durante 10 horas se mantiene la mezcla en ebullición eliminando las impurezas y produciendo así acero. Algunos otros elementos como silicio, manganeso, carbono, etc., son controlados en la proporción requerida según el acero a producir.
La caliza fundida aglutina las impurezas de la carga retirándola del acero líquido y formando la escoria que flota en la superficie. Mientras tanto se realizan pruebas para verificar la calidad del acero.
Cuando la colada alcanza las especificaciones y condiciones requeridas se agregan "ferroligas" (substancias para hacer aleaciones con el hierro y dar propiedades especiales).
Después de alcanzar las condiciones de salida, la colada se "pica" con un explosivo detonado eléctricamente, permitiendo al acero fundido recubrirse en ollas de 275 toneladas c/u de donde se vacía a los lingotes, para ejecutar laminas de acero.
Se emplean dos tipos de acero en la ejecución de estructuras: Acero en barra o chipas, para la elaboración de concreto reforzado y acero laminar o perfil, para las estructuras sin recubrimiento.
Por ser el concreto en sí, un material poco resistente a la tracción, se hace necesario reforzarlo con barras de acero que debe resistir los esfuerzos de tensión provocados por momentos flectores (positivos o negativos), cortantes y de torsión o impedir el pandeo en columnas y otros elementos sometidos a compresión, así como los esfuerzos producidos por variación de temperatura y retracción del concreto durante el fraguado.
Por ser el concreto en sí, un material poco resistente a la tracción, se hace necesario reforzarlo con barras de acero
que debe resistir los esfuerzos de tensión provocados por momentos flectores (positivos o negativos), cortantes y de torsión o impedir el pandeo en columnas y otros elementos sometidos a compresión, así como los esfuerzos producidos por variación de temperatura y retracción del concreto durante el fraguado.
Al concreto reforzado con acero se le conoce como concreto armado. A los procedimientos mediante los cuales se prepara el acero para armar la estructura alrededor de la cual se vaciará el concreto se le conoce con el nombre de figurado. Un correcto figurado de los aceros, así como su distribución en la estructura son definitivos para lograr una construcción firme y resistente.
El acero para la construcción viene en barras (varillas) de sección circular o cuadrada, de diversos calibres (diámetro) y diferente textura. Se obtiene también en alambres de menor calibre.
Los aceros se clasifican en: aceros al carbono, aceros aleados, aceros inoxidables, aceros de herramientas y aceros de baja aleación ultrarresistentes.
Los aceros al carbono contienen diferentes cantidades de carbono y menos del 1,65% de manganeso, el 0,60% de silicio y el 0,60% de cobre. Los aceros aleados poseen vanadio y molibdeno además de cantidades mayores de manganeso, silicio y cobre que los aceros al carbono.
Chipas o rollos:
Los hierros y alambres de 3/8" No.3 y %" No.2 respectivamente, son distribuidos comercialmente en rollos y chipas de sección circular y de calidad corriente.
Barras lisas:
Generalmente éstas barras tienen menor adherencia con el concreto, por ello se utiliza en elementos que no sean sometidos a fuertes tracciones. Ej: paneles, sardineles, flejes, etc.
Barras corrugadas:
Poco corrugadas: generalmente son barras que en su estado inicial tenían sección cuadrada ovalo en cruz, y fueron retorcidas en estado frío.
Muy corrugadas: estas barras están provistas de aristas verticales o inclinadas, laminadas en estado caliente y a veces deformadas en estado frío.
Almabrón y alambre:
Es acero galvanizado y su función es la de amarrar las estructuras en hierro, los flejes a las barras o barra con barra. En el caso de los traslapos se dan calibres de 12 a 18.
Mallas electrosoldadas:
Se construyen con alambrón cruzado, perpendicularmente, formando cuadriculas rectangulares o cuadradas con una distancia máxima de 25 cm. entre barras. El ancho en que son producidas es de 2.35 m. la longitud depende del calibre en que se fabrique.
Las hay fabricadas en varillas delgadas y pueden ser de gran longitud, se consiguen en forma de rollos. Las mallas son usadas en la fabricación de placas, muros, elementos prefabricados y en construcciones de carreteras de alta resistencia.
Se suministra en varillas de 6, 9 Y 12 m o en rollos o chipas para los números 2 y 3. Las acerías tienen como sistema de medida el diámetro de la barra dado en pulgadas, Vienen en diámetros de un cuarto de pulgada V4" hasta pulgada y cuarto 1 V4", o sea del numero 2 al numero 10.
El numero 1 corresponde al diámetro mayor del alambre, o sea, el alambrón. Cada barra es l/8" (un octavo) mayor que su anterior. La cantidad, el diámetro y la distribución de las barras de un elemento se determinan en el cálculo que hace el ingeniero.
Peso: Dado en Kg./m, en ésta columna se indica el peso en kilogramos que tiene un metro de longitud de varilla de acuerdo al diámetro.
La tabla muestra las barras No. 2 al No. 18 porque actualmente son requeridas con mayor frecuencia en los diseños y construcciones.
Las barras de acero o hierro en contacto con la humedad se oxidan; por esta razón hay que tener en cuenta el tiempo que estarán almacenadas en la obra. de acuerdo con esto se recomiendan dos formas de almacenamiento.
A la intemperie:
El acero que será utilizado poco después de llegar a la obra se puede almacenar a la intemperie, utilizando un caballete y vigas de madera o un armario metálico. De esta forma las barras quedan aisladas del terreno evitando la humedad y permaneciendo limpias.
Si no se dispone de caballete, se almacenan las barras sobre vigas de madera colocadas sobre el terreno.
Es importante almacenar siempre las barras en un mismo sitio, separándolas por calidades, longitudes y diámetros facilitando su selección y acomodamiento de gran cantidad de este material en un espacio relativamente pequeño.
Almacenamiento bajo techo:
Las barras que se guardan en obra por mucho tiempo (tres meses aproximadamente) deben ser almacenadas bajo techo para evitar grandes oxidaciones.
Siempre hay que separar las barras por calidad, diámetros y longitud colocándolas de abajo hacia arriba y empezando por las de mayor diámetro.
La calidad de las barras puede ser determinada de diversas formas; algunas pruebas a las que pueden ser sometidas son:
En obra este control solo puede ser hecho por medio de la observación de las condiciones exteriores; estas deben cumplir las siguientes exigencias:
Las barras se transportan en la obra, de forma manual o mecánica, bien sea para colocarlas en el sitio de almacenamiento o para llevarlas al sitio de trabajo. El transporte manual es el que realizan los obreros con su esfuerzo físico. Puede ser individual o colectivo. El mecanizado se hace por medio de grúas giratorias (plumas) fijas o móviles.
Por un mal transporte o un incorrecto almacenamiento las barras se tuercen no siendo aptas para su inmediata figuración, es necesario enderezarlas; esto se puede hacer, a
golpe de maceta contra el banco o yunque, con grifo y equipo manual o con máquinas.
esfuerzos de tracción o estiramiento es necesario colocarlo en los elementos que se construyan en concreto.
Se le da el nombre de armadura, a las partes del elemento que se construyen en hierro y figurado al proceso por medio del cual se le da la forma requerida.
Para la tarea de figurado debe seleccionarse un sitio en la obra donde se instalará el banco de trabajo; el lugar elegido debe cumplir ciertas condiciones:
La superficie de las barras de acero no debe tener sustancias que impidan una buena adherencia, tales como:
También llamado hormigón, material artificial, producto de la mezcla de un aglutinante (cemento) con materiales pétreos (arena, gravas) a los cuales eventualmente se les incorporan aditivos (que le dan diferentes propiedades generando distintos tipos de concreto) yagua. Al incorporar el agua al cemento, las sustancias que lo componen reaccionan y dan lugar a la formación de uniones entre sus partículas, enlaces que después de un tiempo fijan la posición definitiva de las partes de cemento, endureciendo la pasta y adquiriendo la resistencia de una piedra. Este proceso se conoce como:
Fraguado: Y va acompañado de calentamiento y evaporación del agua. Cuando el concreto simple está en estado fresco, es una mezcla semilíquida que puede ser moldeada y compactada con relativa facilidad, pero a medida que las partículas del cemento reaccionan químicamente con el agua, se endurece, se torna rígido y comienza a adquirir el aspecto, comportamiento y propiedades de un cuerpo sólido, hasta convertirse finalmente en un material durable Y mecánicamente resistente que se denomina concreto endurecido (piedra artificial).
Su resistencia y duración dependen de la calidad y limpieza de los materiales usados en su fabricación, de la proporción o relación de los materiales en la mezcla, de la forma de mezclado y del tiempo transcurrido cuando se realiza el proceso de mezclado, ésta depende de sus componentes:
El cemento: Los enlaces que dan rigidez al concreto los produce el cemento, se comprende así que cuanto mayor es la cantidad de éste, mayor será la resistencia que adquiere al fraguar, ya que habrá más uniones entre las partículas que lo componen.
Al endurecer la pasta como consecuencia del fraguado, parte del agua queda fija en la estructura rígida de la pasta y el resto permanece como agua libre. Con el tiempo, ésta agua libre se evapora y queda en el interior del cemento endurecido un conjunto de pequeños conductos que se llenan de aire y le dan porosidad. Por eso, al aumentar la proporción del agua, la cantidad libre es mayor, aumentando la porosidad haciendo más penetrable y reduciendo la resistencia final del concreto. Por otra parte, el agua debe estar libre de cantidades perjudiciales de aceite, sales, álcalis, limo, materia orgánica y otras impurezas.
El agua: Al mezclarse el cemento con el agua se produce una pasta que puede ser más o menos dura, según ia cantidad de ésta que se agregue.
Los agregados: Se da el nombre de agregados del concreto a la arena, la gravilla y la piedra. Su explotación se hace en canteras y ríos. Cumplen con tres objetivos:
Reducen el costo de fabricación del concreto, pues componen la mayor parte de éste y son mucho más económicos que el cemento.
Contribuyen a disminuir la contracción que sufre la pasta de cemento al fraguar. Esta contracción tiene como consecuencia el agrietamiento del conjunto, que es muy perjudicial para la resistencia, impermeabilidad y proyección del refuerzo del concreto.
La buena calidad del material contribuye con su dureza, a mejorar la resistencia del concreto.
La última fase es la colocación del hormigón, el asentamiento de éste se hace por medio de una barra de 1" y 1 m de longitud que se introduce sucesivamente en diferentes puntos de la masa y es una operación que se debe repetir en cada capa que se coloque. También pueden emplearse vibradores neumáticos, que acomodan la mezcla en forma eficiente. El objetivo de la vibración del concreto es reducir la cantidad de espacios vacíos que quedan dentro de la mezcla logrando un acomodamiento efectivo.
Un exceso de vibrado puede lograr el desmezclado y segregación de los componentes.
Proceso mediante el cual los diferentes elementos componentes del concreto se cohesionan formando un material homogéneo y consistente. Según la magnitud de la obra se mezcla a mano o con maquinaria que permite un mejor rendimiento.
Sitio de trabajo:
El lugar donde se preparará el concreto debe ubicarse de forma equidistante al depósito de materiales y a los elementos a fundir; buscando no interrumpir las circulaciones en la obra. Es recomendable utilizar el mismo lugar durante todo el proceso de construcción. Cuando se realiza manualmente la mezcla se prepara sobre una base firme, para evitar la pérdida de la pasta de cemento y la mezcla del concreto con otros elementos (tierra, residuos vegetales, basuras, etc.)
Transporte de materiales al sitio de preparación: Los materiales para el mezclado deben llevarse por separado al sitio elegido para ésta tarea, con el fin de hacer una correcta dosificación. Para el transporte de cemento debe tenerse especial cuidado, ya que si se rompen los bultos
habrá desperdicio y contaminación con otros elementos.
1. Mezcla manual:
La mezcla manual del concreto es un sistema que reduce hasta en un 20% su resistencia y es debido a esto que solo es recomendable para obras de pequeña magnitud. El proceso es el siguiente:
2. Mezcla en concretadoras:
La mezcla por medio de concretadoras mecánicas en obra o en centrales concretadoras mejora la calidad del material y el rendimiento en el proceso de fundición. De acuerdo con la magnitud de la obra, se elegirá la concretadora adecuada, tipo trompo o mezcladora de tolva; la producción de estas es variable. En obras de gran magnitud el concreto se produce en centrales, transportándose en mixer al lugar de la obra.
Preparación del sitio de mezclado: La mezcladora se fija sobre placas metálicas o vigas de madera para que no se mueva durante su funcionamiento. Antes de empezar a cargar, el operario debe verificar que el tambor y la tolva estén vacíos y limpios.
Cantidad a mezclar: Se debe producir el concreto que se pueda utilizar completamente durante la hora siguiente a partir del momento de mezclado y en lo posible la cantidad de concreto debe ser la necesaria para el elemento a fundir.
Cargar la concretadora: La concretadora debe cargarse de acuerdo con las especificaciones de la mezcla a utilizar. A la primera carga debe añadirse un 50% más de cemento para evitar que la mezcla quede pobre, al tambor limpio se adhiere una película de cemento que permanece en él.
Mezcla: Inicialmente se deposita la grava o áridos gruesos, después de unos pocos minutos de mezclado en seco se agrega el agua, se adiciona el cemento necesario, como segunda capar luego se añade la arena, los aditivos y finalmente el agua necesaria para finalizar la mezcla (si la dosificación se hace por volumen la cantidad aproximada de agua es de 50% el peso del cemento en litros).
La mezcla en concretadora:
Se realiza por un sistema de paletas de acero instaladas en el interior del tambor, que con el giro de este último elevan el material haciéndolo caer desde el punto más alto del tambor hasta su base. El tiempo de amasado no será inferior a 1 y V2 minutos. El tambor debe cargarse de acuerdo a lo establecido en la ficha técnica; para lograr mezclas homogéneas.
Centrales de premezclado:
Cuando las condiciones de la obra exigen el aprovisionamiento constante de concreto se recurre a una central de mezclas, la cual envía a la obra en camiones mixer la calidad que le sean solicitadas.
La carga del mixer se puede recibir así:
Mantenimiento:
Antes de cargar la concretadora se verifica el correcto funcionamiento del motor, se revisa la cantidad de combustible si es mecánica o el tipo de energía si es eléctrica y la lubricación de piñones y ejes.
Al interrumpir el mezclado por más de una hora se debe llenar el tambor con grava yagua. Se gira unos minutos para limpiarlo.
Al finalizar la labor de mezclado se limpian la tolva y el tambor con agua a presión, siendo conveniente aplicarle aceite usado para evitar adherencias.
Una vez mezclado el hormigón es necesario controlar su plasticidad con el fin de verificar que sea la adecuada para el tipo de elemento que se fundirá.
Medición de plasticidad por asiento (prueba slump): Este ensayo se realiza para determinar la consistencia del concreto en la obra, utilizando un tronco de cono,denominado cono de abrams, con las siguientes especificaciones:
Su interior debe ser completamente liso sin remaches, protuberancias, etc.
Procedimiento:
Canaletas: Se emplean para fundir elementos situados en niveles bajos como sótanos. Son de madera o acero laminado y se deben instalar con pendientes menores a los 30° para evitar derrames de concreto.
Transporte con carretilla y buggy: Con capacidades variables, de acuerdo a la necesidad.
Vagonetas de volteo sobre rieles: Están equipadas de recipientes volcables que se aseguran a la base. La tracción puede ser a mano o mecánica mediante un motor o un cable (winche). Su capacidad es de l/2m3 y se emplea en caso de grandes cantidades a fundir, lejos del lugar de la mezcla como en pistas de aterrizaje y carreteras.
Cubetas transportadoras: Se emplean en combinación con plumas grúa y están provistas de válvulas dobles; tienen una capacidad que varía entre los 300 y 800 lts. Se utilizan especialmente en construcciones de altura progresiva como edificios.
Transporte por tubería: Este método se usa cuando se necesita un vaciado continuo, sin interrupciones.
Transporta concreto a distancias hasta de 150 m. en sentido horizontal; el diámetro de los tubos varia entre los 12.5 cm hasta los 20 cm.
Otro sistema de tubería es el que se utiliza para el vaciado de caissons y pilotes profundos. Consta de tubos extensibles y tolva en la parte superior.
Aditivos: Para variar las características de la mezcla se utilizan sustancias llamadas aditivos, que cumplen las funciones de acelerar o retardar el fraguado, mejorar la plasticidad del material e impermeabilizar en los casos que se considere necesario. El uso de aditivos y su dosificación debe hacerse con sumo cuidado según las especificaciones indicadas por el profesional encargado de la obra.
Acelerantes de fraguado: Se usan para obtener el endurecimiento rápido del concreto, en reparaciones urgentes de pisos en concreto de manera que se permita el transito en poco tiempo en estructuras, pavimentos y prefabricados. Igualmente permiten el desencofrado rápido de elementos fabricados en concreto reforzados.
Impermeabilizantes: Producen un efecto aislante del agua y la humedad en los elementos expuestos a ellos, como superficies enterradas, muros de contención, sobrecimientos, jardineras y tanques, así como cubiertas de composición y placas continuas.
Retardantes: Su función es la de retardar el fraguado inicial del concreto para permitir que las estructuras de gran magnitud se fundan de manera monolítica y no por tramos.
Plastificantes: Hacen del hormigón un material dócil de manejar sin tener que adicionar agua. Permiten un fácil vaciado y dar mejor forma definida al elemento fundido.
Todos estos productos son fáciles de usar siguiendo las indicaciones del fabricante que vienen en la etiqueta de los envases, en casos especiales se puede solicitar asistencia técnica.
Los aditivos almacenados por mucho tiempo (más del recomendado) puede tener graves efectos sobre el concreto; un aditivo equivocado puede perjudicar al mismo.
En nuestro país existen gran variedad de estos productos. Los principales fabricantes son sika y toxement.
Son concretos que se comercializan y producen en Colombia, todos ellos despachados a granel con preparación sobre pedido:
El concreto reforzado se compone de concreto simple y armadura de acero. Esta última se compone de varillas longitudinales y flejes amarrados de acuerdo con los planos de construcción.
El concreto posee alta resistencia a los esfuerzos de compresión, pero cuando es sometido a esfuerzos de tracción su resistencia es relativamente baja. Por ello es necesario reforzarlo utilizando barras de acero, es así que recibe el nombre de concreto reforzado. Puede adquirir prácticamente cualquier forma, dependiendo del molde o formaleta que se utilice y del refuerzo de acero que se emplee. Su principal uso es la construcción de estructuras sólidas y flexibles (columnas, vigas, losas, muros estructurales, fundaciones) y los llenos.
Durante el fraguado, las partículas del cemento absorben una cantidad de agua con la que reaccionan provocando el desprendimiento de calor que ayuda a evaporar el agua libre. Esta evaporación disminuye el volumen de la masa de concreto (retracción) y de ningún modo puede suprimirse.
Una evaporación rápida hace que el volumen en las capas superficiales disminuya antes que en las capas profundas. Este fenómeno favorece la formación de grietas, llamadas de retracción, que ocasionan la reducción de la resistencia del concreto.
Cuando la evaporación es lenta, la reducción del volumen es más homogénea en toda la masa, lo cual disminuye la formación de grietas de gran medida; es conveniente, entonces, proteger los concretos, durante el periodo de endurecimiento, de la desecación rápida. La principal causa de la evaporación es la acción del viento y del sol, por eso, debe preservarse el concreto de la acción de los agentes atmosféricos cubriéndolos por medios físicos: costales, aserrín, arena húmeda o productos químicos especiales y regando frecuentemente las superficies expuestas, para que se conserven húmedas durante un periodo mínimo de 3 a 7 días, según las condiciones atmosféricas.
Este proceso se conoce con el nombre de curado del concreto y es imprescindible para asegurar su buena resistencia final.
Según la norma colombiana NSR 98, se reconocen cuatro tipos generales de sistemas estructurales de resistencia sísmica. Cada uno de ellos se subdivide según los tipos de elementos verticales utilizados para resistir las fuerzas sísmicas y el grado de capacidad de disipación de energía del material estructural empleado, estos son:
Sistema de muros de carga: Es un sistema estructural que no dispone de un pórtico esencialmente completo y en el cual las cargas verticales son resistidas por muros de carga y las fuerzas horizontales son resistidas por muros estructurales o pórticos con diagonales.
Sistema combinado: Es un sistema estructural, en el cual:
Sistema de pórico: Es un sistema estructural compuesto por un pórtico espacial, resistente a momentos, esencialmente completo, sin diagonales, que resiste todas las cargas verticales y fuerzas horizontales.
Sistema dual: Es un sistema estructural que tiene un pórtico espacial resistente a momentos y sin diagonales, combinado con muros estructurales o pórticos con diagonales. Para que el sistema estructural se pueda clasificar como dual se deben cumplir los siguientes requisitos:
Son los elementos construidos para soportar las cargas y esfuerzos en una edificación.Sus materiales y dimensiones dependen del tamaño y uso que se vaya a dar a ésta. Entre los materiales estructurales mas utilizados encontramos el concreto reforzado.
Cimentaciones: Generalmente el tamaño y forma de la cimentación depende del tamaño de la edificación y de la calidad del suelo donde esta será emplazada.
Para edificaciones mayores encontramos elementos como los caisson, pilotes, zapatas, pantallas, y para edificaciones menores zapatas y vigas de fundación. Todos se construyen en concreto reforzado, a excepción de los pilotes que en ocasiones pueden ser en acero.
Cimientos superficiales: Se caracterizan por construirse relativamente cerca de la superficie del terreno. A este grupo pertenecen:
Zapatas aisladas
Zapatas corridas
Losas de cimentación Cimentaciones compensadas
Adicionalmente a las cimentaciones es muy frecuente construir una estructura que enlace los elementos que la componen, para formar de ésta manera un conjunto más rígido y ayudar así a homogenizar los esfuerzos y disminuir las deformaciones del suelo de apoyo. Ésta estructura se conoce como vigas de amarre.
Cimientos profundos: Se caracterizan porque se apoyan en estratos del suelo que quedan muy por debajo de la superficie del terreno. En este grupo se encuentran:
Pilotes
Pilas
Pilares o caissons
Muros pantalla
Cimientos especiales: Se emplean cuando el suelo de cimentación presenta condiciones especiales o el tipo de construcción requiere una cimentación fuera de lo común. Entre otras encontramos:
Tablestacas y anclajes
Cimientos a prueba de vibraciones
Todas las construcciones se apoyan sobre algún tipo de cimentación superficial y su elección depende: de la forma como la estructura del edificio transfiere su peso (columnas o muros), de la magnitud de las cargas transferidas y de la capacidad portante del terreno. El diseñador hace un estudio profundo de estas condiciones y escoge entre todas las posibles alternativas,la más óptima desde el punto de vista técnico y económico.
Cimentación sencilla o corrida: Su empleo se limita a construcciones livianas, de 1 ó 2 pisos, que transmiten su peso por medio de muros a terrenos que demuestran ser resistentes.En términos generales este tipo de cimiento va por debajo de los muros estructurales y no estructurales, de la primera planta de la edificación y sus Dimensiones dependen de la carga que tengan que soportar y de la capacidad portante del terreno.
En la actualidad, la construcción de los cimientos corridos se efectúa en concreto, ya sea ciclópeo o reforzado. La técnica constructiva difiere un poco en ambos casos, pero por lo general la excavación le sirve de formaleta o molde al cimiento.
Proceso constructivo para las cimentaciones:
Recomendaciones:
Concreto ciclopeo en cimentaciones: El concreto ciclópeo se compone de concreto simple y piedra media zonga Éste último componente no puede superar el 40% del volumen total de cimiento.
Proceso constructivo:
Columnas: Elementos estructurales verticales en concreto reforzado, cuya solicitud principal es la carga axial de compresión, acompañada o no de momentos flectores, torsión o esfuerzos cortantes y con una relación de longitud a su menor dimensión de la sección de 3 o más.
Las dimensiones mínimas de las columnas en una estructura principal según la NSR 98 son de un diámetro mínimo de 0.25 m para secciones circulares y una dimensión mayor a 0.20 m con área de 200 cm para columnas de sección rectangular.
Cuando las columnas se emplean para amarrar los muros en una edificación, éstas se deben localizar en:
Los extremos para confinar los muros.
Las intersecciones o cruces con otros muros.
untos intermedios de los muros (para no exceder distancia máxima entre apoyos).
Columnetas: Las columnatas son elementos verticales de menor tamaño que las columnas, que de igual forma se deben fundir con suficiente anterioridad al vaciado de vigas y losas. Se utilizan para confinar muros en mampostería.
Vigas: Elemento estructural, horizontal o aproximadamente horizontal, cuya dimensión longitudinal es mayor que las otras dos y su solicitación principal es el momento f1ector, acompañado o no de cargas axiales, fuerzas cortantes y torsiones.
Las vigas pueden clasificarse de acuerdo a sus apoyos o al tipo de cargas que actúan sobre ellas.
De acuerdo a sus apoyos: Se clasifican según el número y posición de los apoyos.
Simplemente apoyadas:Se llama así a la viga que tiene dos apoyos libres. Es el tipo de viga que se utiliza con mayor frecuencia.
Viga en voladizo: Viga apoyada en un solo extremo. Un ejemplo de viga en voladizo son las que sobresalen de un muro.
Viga continua: Es aquella que descansa sobre más de dos apoyos.
Viga empotrada: Es la que tiene restringido el giro de uno o ambos extremos.
De acuerdo a tipos de cargas: Los dos tipos de carga que usualmente actúan sobre vigas y estructuras en general se denominan concentrados y distribuidos. Una carga concentrada actúa en un punto definido, como por ejemplo una columna que se apoya sobre una viga. Una carga distribuida es la que actúa sobre una longitud considerable de la viga; un ejemplo de este tipo de carga es la de una losa o placa de concreto que descansa sobre una viga, o un muro en determinada longitud.
Viga de amarre: Elemento en concreto reforzado, de no menos de 15 cm. de altura y ancho igual al muro que sirve para amarrar a diferentes niveles los muros de una vivienda.
Vigueta o nervadura: Elemento estructural que forma parte de una losa nervada, el cual trabaja principalmente a flexión.
Vugadecorona. Culata o cinta: Es una viga de amarre que por lo general se construye perimetralmente en el remate o sea en la parte superior de las culatas de una edificación. Sus funciones son:
Diafragmas estructurales: Son conjuntos de elementos estructurales que amarra la estructura en su totalidad, tales como las losas de entrepiso o de cubierta, que transmiten las fuerzas inerciales a los elementos del sistema de resistencia sísmica.
Riostra: Elemento de un diafragma estructural que se utiliza para proveer continuidad alrededor de una abertura.
Losa: Elemento estructural horizontal, o aproximadamente horizontal, macizo o con nervaduras, que trabaja en una o dos direcciones, de espesor pequeño en relación con sus otras dos dimensiones.
Se compone de dos elementos diferentes: molde y elementos de refuerzo; los cuales deben estar en condiciones de soportar, sin deformación perjudicial, las cargas a que se les somete.Son estructuras provisionales destinadas a dar forma, dimensiones y soporte al hormigón hasta que este adquiera entre el 70% y el 80% de su resistencia.
Se compone de dos elementos diferentes: molde y elementos de refuerzo; los cuales deben estar en condiciones de soportar, sin deformación perjudicial, las cargas a que se les somete durante la ejecución.Los encofrados se componen de:
Tableros o testeros: Los elementos de molde determinan la forma y se elaboran generalmente con tablas de madera común o triplex u otros materiales, teniendo en cuenta la necesidad.
Elementos de apoyo y refuerzos: Son utilizados para garantizar la resistencia y permanencia de la forma del encofrado. Son construidos en madera o metálicos según el caso, sirven como puntales, riostras, chapetas, acoplamientos, diagonales, etc.
En la parte inferior del ducto, se procura que quede rematado por algún tipo de lona o tela gruesa que impida el paso de pequeñas partículas que al caer a la tolva de recibo salgan dispersas de forma incontrolada y pueden ocasionar serios daños.
Trabajos de demolición: Se procede siguiendo las instrucciones que marque el proyecto correspondiente, manteniendo de forma estricta cada una de las fases y las recomendaciones que de ellas pudieran existir.
Tercera fase: Formas de efectuar las demoliciones
Se distinguen tres grandes grupos de sistemas a emplear para la demolición de un edificio en función de su situación y características.
Demolición elemento por elemento: Es el concepto de demoler las diferentes partes constructivas en orden inverso a como fueron ejecutadas. En general, se suelen realizar con medios manuales o poco mecanizados.
Demolición por colapso: Es el concepto de demoler, de manera más o menos global, todos los elementos constructivos que constituyen el edificio. En este caso se pueden distinguir tres sistemas:
El encofrado debe estar armado y asegurado de tal forma que debe resistir:
Características:
La colocación del encofrado consiste en trasladar al sitio exacto el encofrado e parte de este para su formación. Se hace teniendo en cuenta los trazos y 105 niveles, de tal manera que queden listos para asegurar.
Los encofrados se aseguran teniendo en cuenta los elementos de refuerzo necesarios para evitar deformaciones o daños producidos por el empuje de la fundición y fraguado del concreto.
Recomendaciones:
Resistencia: Para soportar con seguridad el peso, la presión lateral del concreto y las cargas.
Rigidez:Para el alineamiento del concreto con la estructura metálica.
Estabilidad: Debe verificarse que el encofrado este arriostrado y Asegurado.
Apoyo de piés derechos: cuando esta sostenido por puntales o pies derechos, es necesario verificar que los apoyos o bases queden finos o estables.
Economía: Para permitir el uso referido de las formaletas, se requiere cuidado en el corte y mantenimiento.
Facilidad de desencofrado: Se debe tener en cuenta el orden de desarmado, de forma que las partes se liberen de manera correcta.
Pasos de tuberías: Que sean las necesarias, cumpliendo con la Normatividad.
A continuación se describen los procesos a desarrollar en el encofrado de diferentes elementos de una obra.
1. Encofrados para cimientos:
Encofrados para muros:
3. Encofrados para columnas:
4. Encofrados para vigas:
5. Encofrados para losas:
El desencofrado de las obras de concreto reforzado se debe realizar cuando las resistencias sean suficientes para responder a los esfuerzos requeridos.
Debe procederse al desmonte sin golpes, sacudidas y progresivamente con el mayor cuidado posible, comenzando por las partes más alejadas de los apoyos.
El plazo para el desencofrado depende del endurecimiento, según:
Calidad del mismo (cantidad de agua, granulometría, dosificación, amasado, puesta en obra).
Naturaleza del aglomerante empleado (calidad del cemento, aditivos, etc.).
Luz salvada en los elementos.
Temperatura ambiente.
Sobrecargas a las que está sometida la obra después del desencofrado.
Orden lógico del desencofrado:
Para revisar este endurecimiento:
Se puede golpear, si tiene sonido claro indica dureza.
Realizar ensayos a la compresión con cilindros tomados durante la fundición y sometidos al mismo tratamiento de curado que el elemento fundido.
Medir la resistencia sobre el elemento fundido, Con aparatos especiales, cuando la resistencia del elemento ha adquirido el 70% u 80%, se puede desencofrar.
Con base en la experiencia y bajo condiciones normales de temperatura, se han determinado algunos tiempos para el desencofrado que varía según el clima y la aplicación de acelerantes o retardantes de fraguado.
ESPINO, Rodríguez, Javier. Ingeniero. Apuntes de Estructuras Metálicas.
SENA, Servicio Nacional de Aprendizaje, AUTOCONSTRUCCION, Bloque Modular: Obra Negra - Entrepisos.
SENA, Servicio Nacional de Aprendizaje, Regional Antioquia Choco CAMACOL, Cámara Colombiana de la Construcción, Especificaciones Técnicas de Construcción – ETC.
SENA, Servicio Nacional de Aprendizaje, CONSTRUCCIÓN, Construcción de Estructuras en Hierro para Elementos en Hormigón. Fondo de Formación Profesional para la Industria de la Construcción-FIC, Editorial Entorno Ltda. Marzo 1986.
SENA, Servicio Nacional de Aprendizaje, CONSTRUCCIÓN, Construcción de Estructuras en Hormigón. Fondo de Formación Profesional para la Industria de la Construcción-FIC, Editorial Entorno Ltda. Marzo 1986.
SCHMIlT, H. Tratado de Construcción, Editorial Gustavo Gili, 1969.
MANUAL TÉCNICO DEL CONSTRUCTOR. Cementos Boyacá s.a. SENA, Servicio Nacional de Aprendizaje, CONSTRUCCIÓN AUTOGESTIONADA, Bloque Modular: Procesos de construcción Estructuras Superiores. Material autoformativo.
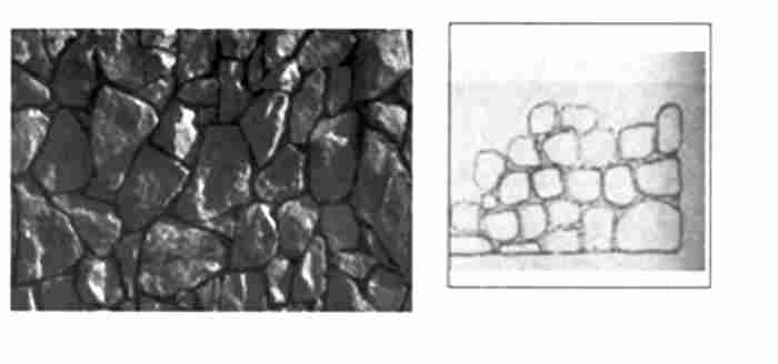
Sistema constructivo tradicional compuesto por piedras naturales sin labrar o ligeramente labradas, llamadas mampuestos. Las fábricas de mampostería tan sólo proporcionan una cierta resistencia a la compresión, por lo que suelen conformar elementos verticales continuos, como muros y paredes. También pueden aparecer en arcos y bóvedas, aunque la precisión de los elementos curvos suele hacer necesaria la labor de sillería.
Existe una gran variedad de aparejos de mampostería, dependiendo del trabajo de cantería, el tamaño de las piezas y su sistema de trabazón. Entre los más ordenados se sitúan las fábricas concertadas de sillarejos, piedras pequeñas labradas toscamente por sus seis caras, que se pueden disponer en hiladas irregulares o regulares, el aparejo de rajuelas o lajas, habitual en tapias o vallados exteriores por su escaso aislamiento térmico.
La mampostería ordinaria se ordena según un aparejo poligonal que puede ser adobe, bloque o ladrillo, trabado y adherido con una masa abundante de mortero de diferentes materiales, que sirve también, en el caso del careado, para uniformar las juntas.
Los principales materiales de que se dispone para la construcción de paredes son la piedra natural, los aglomerados de hormigón y los ladrillos de arcilla cocida.
Aparte de las piedras naturales, todos los materiales utilizados en la construcción de mampostería son anisótropos, o sea que poseen características diferentes según la dirección en la que se evalúe.
Aunque los materiales empleados en la elaboración de mampostería, poseen características tecnológicas diferentes, se conservan los principios generales para su apilamiento:
Mineral inorgánico o concreción de suelo, de origen sedimentario ígneo o metamórfico, usado de forma habitual en construcción, ingeniería civil, industria y arte.
Algunas de las piedras de construcción son el basalto, el pedernal, el granito, la caliza, el mármol, el pórfido, la arenisca, la pizarra y la laja. En los últimos años casi e183% de la piedra usada en monumentos ha sido granito y un 17% mármol, aunque la construcción con piedra natural sigue siendo la base de la albañilería.
Se localiza con gran facilidad en las canteras, conformadas con piedras areniscas compuestas de partículas finas o gruesas, también en los ríos y al combinarse con un cementante natural que puede estar coloreado se emplean en la elaboración de mampuestos.
Con la piedra bola de los ríos, denominada también, media zanga, se pueden realizar muros con superficies irregulares a base de piezas muy redondeadas, que se asientan con gran
cantidad de mortero para lograr mejor adherencia de las piezas.
Las piedras más irregulares se combinan con pequeños ripios dispuestos en los huecos y sumergidos en argamasa, de modo similar al aparejo de cantos rodados.
Por último, los mampuestos también se pueden disponer a hueso, sin trabazón alguna, con un cierto talud para garantizar su estabilidad o mediante juntas de mortero u otro aglutinante.
Existen piedras fáciles de tallar, los muros en piedra tiene que trabajarse con mayor cuidado, para dar mejor apariencia al muro . Las herramientas son:
Martillo de cantero: Por un lado tiene cabeza plana y por otro un cincel que sirve para cortar tabiques y para astillar piedra. El mazo o maceta, generalmente de un kilo de peso, se usa tanto para golpear los cinceles como para desbastar o astillar los bordes de la piedra golpeándola directamente.
La martelina o mazo de cantero: Tiene las dos caras provistas de dientes en forma de prisma. Se emplea para desbastar y astillar bordes golpeando directamente las orillas de la piedra.
Cinceles: Los más usados son el punto o punzón, el cincel ancho o maquina y el cincel dentado o perro. Se emplea principalmente para desbastar y pulir las superficies. El punzón o punto con el extremo puntiagudo concentra toda la fuerza del impacto en un solo punto, en un área muy pequeña. Se usa para desbastar superficies amplias.
Los cinceles dentados o perros: Se usan después de los punzones para continuar dando forma a la piedra y desbastar superficies ligeramente desiguales. Se trabaja diagonalmente, alejándose del canto o de arriba abajo.
Los cinceles anchos o máquinas: Se usan para alisar superficies y pulir las caras rayadas o con surcos, dejados por el cincel dentado.
Cortar para dar forma a la piedra, es un proceso gradual.
Rara vez se obtiene una forma de un solo golpe, cuando se trata de hacerlo así, generalmente se rompe, donde no se requiere; se corta poco a poco, quitando las astillas, hasta que se tiene la forma deseada, cuando se tiene que retirar una esquina a una piedra con el fin de que embone (se acomode),en un hueco, no se debe romper de un solo golpe, primero, se coloca la piedra sobre una cama de arena, se marca la parte que quiere retirar y poco a poco se labra para dar la forma deseada.
El martillo es apropiado para cortar los bordes pero no para las superficies, donde tienen mayor aplicación los cinceles, aunque algunos canteros acostumbran hacer un surco con el punzón en el lugar donde quieren cortar y luego golpean con el cincel hasta partir la piedra, posteriormente con la maceta se retiran piezas pequeñas o astillas de la orilla de la piedra,
poco a poco se dará cuenta de cuánto puede quitar con cada golpe.
Las piedras empleadas para la construcción de los muros deben quedar firmes aún sin el mortero, aprovechando la fuerza de gravedad y la fricción, descansando sobre superficies ligeramente inclinadas hacia el centro del muro.
Si se colocan sobre superficies inclinadas hacia afuera, tenderán, con el peso de arriba, a desplazarse hacia fuera del muro, perdiendo estabilidad.
Al elegir y colocar cada piedra, se debe buscar la mayor fricción posible, es decir, el mayor contacto entre una piedra y las demás, siguiendo siempre la regla de "una piedra sobre dos y dos piedras sobre una".
Nunca se debe producir juntas verticales, de arriba hacia abajo del muro, porque las piedras se deslizan o mueven, generando grietas en la construcción; se debe evitar las
juntas continuas horizontales a lo largo del muro; por lo tanto, cada hilada de piedra deberá tener "amarres" o piedras salientes, de forma que encadenen con la siguiente hilada; tampoco deberá haber piedras que en su unión formen una cruz, la manera como se acomodan las piedras debe tomar en cuenta, además, de las necesidades estructurales del muro, su aspecto.
Así, al escoger una piedra se debe elegir la mas óptima estructural y estéticamente.Sin embargo, para que la apariencia resulte mejor, conviene más una pieza que llene el espacio completamente; en este caso, como en muchos otros, puede haber varias soluciones plástica y estructuralmente aceptables, cuya elección depende exclusivamente del gusto de quien hace la pared.
Colocación de la piedra:
Al iniciar el levantamiento de un muro de piedra se acostumbra hacer una preselección de ellas, separadas en tres grupos; el primero con las piedras a emplear en los bordes; el segundo grupo con aquellas que servirán para el
interior de los muros y el ultimo con la piedra pequeña y la rajuela. Las piedras para las esquinas son aquellas que tienen un extremo con un ángulo recto o de 90 grados; la mezcla para unir las piedras se puede hacer con una parte de cemento, una de cal y seis de arena.
Para colocar la primera hilada se extiende una cama de mortero sobre la corona del cimiento; primero, se colocan las piedras de la esquina, luego el resto, las piezas para las primeras hiladas en particular deben ser lo más grandes posibles, para ir disminuyendo su tamaño conforme se eleva el muro.
La cara de arriba de cada piedra debe quedar horizontal o ligeramente inclinada hacia el centro del muro, procurando que las juntas de mortero queden del mismo ancho; para mantener la separación correcta de las juntas se utilizan cuñas de madera o rajuelas pequeñas. Para poder colocar las piedras a plomo, a nivel y en línea recta se usan hilos guías, semejantes a los que se emplean al colocar tabique.
Hay muros en que la piedra va casi sin labrar por su cara exterior, de manera semejante a como se hace un cimiento, en otros, va completamente lisa y labrada por su cara exterior, aunque su forma permanece totalmente irregular, la piedra va labrada en varias caras,
formando figuras casi geométricas.
Algunas piedras se labran rectangularmente, ya sea de muy diversos tamaños, en los que se conoce como emparrillados, o todas de tamaño semejante, como sillares; en otras construcciones se prefiere una mezcla de piedra y tabique.
La última hilada debe llevar piedras planas en la parte de arriba, si la pared no va cubierta con una techo, se debe terminar o rematar con piedras amplias, como lajas; sin grietas para proteger el interior del muro de la lluvia. Cuando son casas de dos pisos, el muro del primer piso se edifica un poco más ancho que el del segundo.
A continuación se muestran varios tipos de colocación de piedra natural, que aún se conserva en la arquitectura.
De la época virreinal andina se distinguen los siguientes tipos de mampostería:
Mampostería cariada:

Aparejo de mampostería donde se igualan las caras de forma más o menos regular.
Mampostería concertada:
Aparejo de mampostería en el cual los mampuestos se desbastan a fin de que coincidan unos con otros en las llagas y lechos.
Mampostería ordinaria:
Aparejo de mampostería irregular donde se instalan las piezas de cualquier forma, sin tener en cuenta: alturas e hiladas, en el que se usan cuñas de ripio.
Término que designa la disposición ordenada de los diversos elementos pétreos, como sillares, o mampuestos, en la construcción de muros y paredes. A lo largo de la historia se han empleado una gran variedad de aparejos, dependiendo del material utilizado, el grosor del paramento y sus cualidades ornamentales. Todos ellos, sin embargo, comparten una misma finalidad: evitar las juntas verticales continuas, que impedirían el reparto de las cargas y provocarían, en consecuencia, la aparición de peligrosas fisuras verticales.
Los elementos construidos con piedra natural se clasifican según el tipo de bloque empleado. Así, los aparejos poligonales constan de piezas labradas de formas toscas y dispuestas sin un orden preciso, en ellos, cada piedra puede colocarse a soga, en paralelo al plano del muro, o a tizón, en perpendicular.
Si la pared va soportar el peso de una cubierta, se debe asegurar que el peso del techo cae vertical sobre los muros. Si la cubierta es inclinada y lleva alguna estructura, se escoge
uno que ejerza presión hacia abajo y no hacia los lados, o bien, se refuerza los muros de piedra con tensores de alambre, contrafuertes o salientes que apuntalan y refuerzan el muro.
Las aberturas para las puertas y las ventanas se suelen resolver de diferentes maneras: con un dintel de madera, de concreto reforzado o con arcos de piedra y pueden tomar diversas formas, como el semicircular, el elíptico, el gótico o el de V invertida, los arcos se construyen utilizando una cimbra que luego se retira (ver cartilla), la limpieza con que son terminadas las juntas hace la diferencia en los acabados, se pueden terminar de muchas maneras; en algunas el mortero no se ve, porque la piedra va a hueso, con mortero solo en la parte interior del muro, otras veces la junta va aparente y sin pulir, o bien, se pule solo con la cuchara o con un rayador, también puede ir rajueleada, con pequeñas piedras y guijarros metidos en la mezcla o finalmente con la junta hundida o con la junta realzada.
Las escurridas de mezcla se pueden retirar aplicando con guantes una mezcla de acido muriático yagua, en una proporción variable. Si la mezcla es poca, se utiliza una parte
de ácido en siete de agua. Si la mezcla es abundante, se usa una proporción de 1 a 3; y si está demasiado endurecida, se emplea una parte de acido y otra de agua al aplicar el acido, use anteojos y siempre vierta el acido en el agua y no al revés.
En las regiones donde escaseaban la piedra y la madera se usó la tierra como material de construcción. Aparecen así el tapial y el adobe: el primero consiste en un muro de tierra o barro apisonado (ver cartilla de tapia y bahareque) y el segundo es un bloque constructivo hecho de barro y paja, y secado al sol.
En general a los mampuestos crudos se les llama adobes o ladrillos crudos, a esta primera variedad se suman otras más o menos elaboradas que permiten la preparación de bloques que luego serán empleados en mampostería. Por esta razón se debe tener un lugar para el almacenamiento con características diferentes que en otros sistemas no son necesarios.
El ladrillo de adobe, elaborado durante milenios, es uno de los primeros materiales de construcción utilizados por el hombre. Los hay de múltiples formas: cónicos, cilíndricos, trapezoidales; éstas formas se sitúan históricamente entre el moldeado manual de la tierra en forma de bolas y la aparición del molde regular, aunque por lo general se ha preferido el paralelepípedo, de clara semejanza con las proporciones del adobe o del ladrillo. Los primeros ladrillos de tierra, que se
ensayaron, fueron probablemente amasijos de arcilla, burdamente hechos, secados al aire y endurecidos por la acción del sol.
La forma inicial de elaboración de bloques consiste en armar un molde que se rellena con barro, se desmolda y se deja secar; su uso dependerá de la calidad de la mezcla, las condiciones climáticas, el dimensionamiento de la pieza y el mayor o menor tiempo de secado. La arquitectura en adobe tenía ciertas restricciones, lo que caracterizó la construcción en cada época. La utilización de este material era condicionada desde la escogencia del lugar de la construcción de la edificación hasta la ejecución de la misma.
Éstos bloques conocidos genéricamente en los países de habla hispana con el vocablo de ascendencia Árabe: adobe, era usado en América en la época precolombina; en el Incanato se le llamo Tica, denominación que aun se mantienen en la zona de influencia Quechua, hay también nombres regionales como: tabique, sabaleta y otros.
El fraguado será de 28 días, aunque en algunos lugares se requiere hasta 60. Se recomienda el uso de arenas o estiércol y se tiene en cuenta la costumbre lugareña con resultados diferentes, aunque en general hay pautas comunes.
Las proporciones se mantienen por lo general entre 1: 2 ó 1: 1. 5 entre el largo y el ancho que permite aparejarlos. El espesor no es menor a 6 cm. ni mayor a 20 cm. lo importante es que las medidas estén en lógica relación entre si, y el peso y el volumen permitan la manipulación por una sola persona sin romper la pieza o sin fatigar la persona.
Sus componentes pueden ser: barro, estiércol, arena, paja y en ocasiones yeso teniendo de cada uno mayor o menor proporción según sean las condiciones del lugar.
Luego del amasado se pueden hacer pruebas diferentes para saber si es correcta la humedad. Una de ellas es realizar en la superficie del adobe un surco profundo, si las paredes del surco se hinchan y tienden a deslizarse una
hacia la otra es porque la humedad es correcta, si se quedan firmes es porque la mezcla tiene bajo contenido de agua y si se juntan es porque su humedad es alta, las pruebas se realizaran luego de aplicar todos los componentes. Si se agrega estiércol, este se deberá descomponer durante un día para ser utilizado en la mezcla; y si se incorpora paja, se debe dejar otro día en reposo antes de realizar la prueba.
Una vez obtenida la mezcla aceptable se llenan los moldes que deben haber sido suficientemente aceitados o enarenados para facilitar el desmolde, para ello, será necesario disponer de moldes múltiples de: 4, 6 o 9 piezas.
Antes de desmoldar pueden hacerse estrías sobre el adobe que ayudaran a la adherencia posterior en la obra. Como el adobe es difícil de cortar, se recomienda la fabricación de adobes: medios, tercios y cuarterones para organizar los aparejos. Al llenar el molde debe tenerse cuidado que no se presenten burbujas en su interior y que el material sea uniforme y cubra todos los espacios.
El desmolde debe realizarse sobre una cama de arena o paja, evitando la manipulación hasta cuatro días después, luego de los cuales se rotaran las caras de exposición, hasta su secado final y almacenamiento.
El uso dependerá del secado y prueba de compresión. Tanto el almacenamiento como la ejecución de muro requieren de protección de la lluvia y la humedad para evitar su deterioro.
Otro tipo de mampuestos se han logrado con barro amasado y con menor cantidad de agua, se amoldan con una prensa manual. Este sistema se ha desarrollado en la ciudad de Bogotá desde el año de 1952 por el CINVA.
Los adobes pueden utilizarse con diferentes aparejos y trabas, la unión se realizara con barro semejante al de las piezas al que puede agregarse pequeñas porciones de aglomerante (tradicionalmente calo yeso).
Las hiladas se levantan hasta un metro de altura por día para su estabilidad, de lo contrario se provocaría asentamiento por su propio peso; aunque en algunos lugares se aconseja elaborar máximo medio metro por día, o 1.2 m. por semana a causa de la alta humedad, en el cruce de paredes, se debe tener presente que las camadas horizontales no coincidentes pueden provocar aplastamiento, siendo recomendable levantar todas las paredes simultáneamente.
El adobe puede usarse como otros mampuestos en la concreción de estructuras de arco: arquerías, bóvedas y
cúpulas, en los cuales se emplean adobes rectangulares o trapezoidales de masas más livianas; lo que se logra al agregar mayor cantidad de paja u otro material, la mezcla de asiento será más seca que la empleada en los muros y no se llenará totalmente la junta en el extradós, donde se colocarán cuñas de piedras chatas o pedazos de adobe.
En Egipto, se desarrollaron sistemas en épocas de Ramsés 11, cuyos depósitos construidos en Luxor aún se conservan. En Colombia hay interesantes ejemplos en las bóvedas, de corte ojival y realizado con hiladas avanzadas en la cubierta y con adovelado en los arcos torales.Es importante en este tipo de material hacer acabados revocados y enlucidos, también es conveniente encalar; el hecho de tener piezas y juntas con diferencias de compactación y con paramento irregular, provoca el estacionamiento del agua aun por condensación, lo que origina la disgregación del material.
Así mismo la porosidad permite el ataque de insectos que arman galerías internas similares a las de las polillas en la madera y que en poco tiempo causan estragos. El viento es menos tolerado cuando no existe revoque.
Estas consideraciones valen también para el interior cuando, los mampuestos reciben humo, grasa, agua de condensación y ataque de insectos.
Otro tipo de mampuestos de tierra obtenidos de forma directa, se les conoce con el nombre de tepes, champas, cortaderas o raigambres, cuyo uso se extiende por el sur de Mesopotamia, parte de la Pampa húmeda y zonas de la Patagonia con vigencia en Uruguay y en Brasil, donde reciben el nombre detorroes. Se hacen cortando bloques de la camada superior del suelo, que quedan armados por la trama radicular de las gramíneas; los bloques se apilan con pequeña proporción de agua entre ellos y al fraguar el barro superficial, quedan unidos.
Deben también embarrarse al final y a que la falta de revoque provoca el crecimiento de los rizomas contenidos en la tierra, reventando en ocasiones los bloques; es usual colocarlos boca .abajo para evitar ese problema, si no se protegen siempre hay peligro de crecimiento vegetal. Sin embargo en zonas de gran sequía se los deja al aire y las plantas no crecen.
Este sistema también esta difundido en el sur de Francia donde se le denomina Pisé. Igualmente en el sur de Inglaterra, de donde pasaron a los EE UU con el nombre de Sod. En el altiplano Peruano hay una zona donde es empleado tradicionalmente para hacer los patucos, casas de planta cuadrada y bóveda por hiladas avanzadas, sin crecimiento, todo realizado con estas champas.
En forma más primitiva, se ha usado la tierra empleando los cascarones de barro que se forman al secarse un terreno arcilloso, las piezas se apilan formando los muros.
Otro método es el de la superposición de camadas de barro plástico cuyos bordes excedentes se cortan antes del secado competo. Estos dos sistemas tradicionalmente usados por pueblos africanos, pasaron a Brasil donde se les conoce como: Tijuco y Barroca, respectivamente. Otros sistemas emplean el barro en menor proporción: la mampostería cerámica o pétrea, que usa mortero de tierra amasada.
El barro es también muy empleado para asentar ladrillos, o para unir piedras, éste último es usado en cimentaciones, la adherencia lograda no es muy buena, continuamente necesita mantenimiento o revoque posterior, el procedimiento mas aplicado a este sistema es el de rehundir las juntas de
barro unos cuantos centímetros y colocar mezcla de cal en los canales. Cada uno de los sistemas presenta ventajas e inconvenientes, que deberán ser evaluadas antes de su uso.
Aunque siempre se han elaborado mampuestos con cualquier clase de tierra, los diferentes componentes en ella pueden hacer variar el resultado final, se deben realizar pruebas para su realización final.
Los suelos constituidos por arena, limo y arcilla son los más aptos para la fabricación del adobe, las proporciones generales son:
| Arena | 55% - 75% |
| Limos | 10% - 28% |
| Arcilla | 15% - 18% |
| Contenido en materia orgánica | Inferior al 3% |
Si se estabiliza la tierra con asfalto el contenido de sales alcalinas no debe sobrepasar el 0.2% porque si es mayor, el material se desmoronará posteriormente. Generalmente el alto contenido de uno solo de los componentes dificulta el empleo.
El olfato puede detectar tierra con alto contenido orgánico o de hierro, que no se recomienda por su baja durabilidad y resistencia, esta tierra es realmente descartable. El contenido de limo o arena es fácil de detectar con el tacto o la presencia de arcillas cuando deja impresión jabonosa en la mano, la tierra con mucho limo tiene aspecto de harina, se despega con facilidad, las tierras arenosas se despegan fáciles de las manos y raspan la piel.
La hidratación previa tradicional, que se llama "podrido", tiene por objeto saturar de aguas las partículas arcillosas y deshacer todos los grumos de tierra. Para fabricar los adobes se deja reposar la mezcla remojada durante 24 horas.
Estos materiales ayudan a la tierra a conseguir impermeabilización, cohesión, dureza final, su procedencia puede ser de origen vegetal, animal o sintético (aunque son de altos costos).
Entre los de origen vegetal figuran: jugos de cactáceas, aceite de coco, jugo de tronco de banano, residuos de prensado oleaginoso (aceitunas, maní, girasol), tasco de lino, cuyo
empleo por Miguel Ángel en la fortificación de Florencia ha sido difundido por años, extracto de tantino, utilizado en el Asia Central.
De origen animal, encontramos agregados de grasa, leche, sangre y orina, pero el uso tradicional es el estiércol de vaca, caballo, llama y otros. Lo importante es agregarse después de un día de haberse descompuesto con el agua y dejarlo en reposo un día más después de agregarlo a la tierra. Además de estar bien desmenuzado, deberá amasarse muy bien con la tierra.
Definitivamente, estos agregados son los que mejoran las mezclas en los adobes, la arena ayuda a alcanzar la justa proporción en las mezclas, actúa como material inerte y ayuda a la cohesión y disminución de agrietamientos en el momento del secado.
Otros materiales secos pueden incorporarse para provocar mayor aglomeración, estabilidad química, mejor resistencia y fragüe, materiales como: ceniza, hueso molido, yeso, cales y cementos, pero debe tenerse en cuenta la preparación de la mezcla en seco y el fragüe lento, además son materiales costosos y en ocasiones de poca disponibilidad.
Es de aclarar que no deben realizarse combinaciones con yeso, y es incorrecto incorporar aglomerantes en combinación con otras partes del edificio que no los contenga.
Entre los posibles agregados químicos, existe el asfalto, su uso se conocía varios milenios antes de nuestra era, hoy día su presentación industrial permite su almacenamiento en tanques y su uso como estabilizador. Los adobes que se preparan con un porcentaje de asfalto, presentan alta capacidad hidrófuga y no requieren de revoque final.
En la mayor parte de la arquitectura de tierra esta presente un agregado que actúa en forma física, es el armazón, se agrega a la mezcla fibras vegetales o animales, en Perú se utiliza una gramínea, en África, cascarilla de millo, en Irán cascarilla de arroz, en el caso de los adobes, las fibras se emplean como agregado, la de uso más común es la paja, que se incorpora recortada de diferentes largos.
Cualquiera de estos elementos especialmente los vegetales, permiten la entrada de humedad por capilaridad y la instalación de parásitos, lo que hace fundamental los buenos acabados.
Los ladrillos y bloques de concreto, que son elementos modulares y pre moldeados, están dentro de la categoría de mampuestos, que en obra se manipulan a mano y son especialmente diseñados para la albañilería confinada y armada.
En nuestro medio la mampostería está conformada por muros construidos con bloques de cemento o ladrillos pegados con mortero y confinados por sistemas de concreto reforzado tradicionales como columnas.
Entre los dos sistemas de mampostería, reforzada y de muros confinados, diferentes características y apreciaciones de constructores y diseñadores han terminado favoreciendo la estructural sobre la de muros confinados. Es un sistema sobre el cual existe amplia experiencia constructiva en Colombia y cuenta con un buen soporte experimental y analítico. Es apta para construcciones en altura hasta unos seis pisos en zonas con nivel sísmico bajo.
Los ladrillos se colocan en hiladas continuas. De ésta manera se reparten los esfuerzos a todo lo largo del cimiento.
Se deben evitar la superposición de las juntas verticales en hiladas continuas (sablazo).
Hoy se recomienda que la altura de la construcción no deba sobrepasar 1 m por día, por el asentamiento de las juntas frescas.
moldeada; bajo la acción del aire seco parte del agua se elimina provocando una primera retracción.
Posteriormente se lleva al horno a temperaturas entre 900 y 1000 grados centígrados, la eliminación completa del agua causa una nueva retracción del 10% a11S% del ladrillo. Causando vitrificación del material que lo convierte en arcilla cocida sin poros.
Este material es muy empleado en construcción y apreciado por sus cualidades de resistencia y de aislamiento; existen macizos, huecos, perforados, especiales y con ellos se construyen muros, paredes, pilares, arcos, bóvedas, etc., se pueden ver en nuestras calles con mucha frecuencia casas y edificios con ese acabado y color característicos.
El moldeo se efectúa con máquinas llamadas galleteras o con prensas.
Las aristas de un ladrillo reciben los nombres de:
En cuanto a las caras, se denominan:
Ladrillos huecos, más ligeros y de mayores dimensiones, permiten la realización de paredes aislantes. Se unen con mortero e cemento o en algunas ocasiones yeso.
Por razones de resistencia, las juntas de hilada deben ser delgadas y parejas, para lograr buena resistencia, el mortero debe contener poco agua y los ladrillos deben ser humedecidos con anterioridad, de este modo se logra perfecta adherencia y excelente resistencia a la compresión.
En el medio existen diferentes tipos de ladrillos, cada uno diseñado para una función específica dependiendo del tipo de mampostería que se empleara en la construcción.
También denominados aglomerados de hormigón. Son piezas huecas o macizas prefabricadas con mezcla de cemento (aglomerante hidráulico) y arena, utilizadas en la construcción de paredes de obra ordinaria y si la calidad de su acabado lo permite, se usan también en obra limpia. Sus dimensiones varían según la región del país. Debe poseer las siguientes características:
Buena resistencia mecánica. Satisfacer las exigencias de la obra y la manipulación y transporte.
Resistencia a la humedad. Condición indispensable para las obras expuestas a la intemperie.
Aislamiento acústico y térmico. El aislamiento contra los ruidos es proporcional a la resistencia del bloque a la compresión y térmico, por medio de las cámaras interiores aislantes.
Dimensiones y peso aptos para su fácil manipulación.
Las formas dadas a los bloques y sus características son numerosas y variadas.
Es el revestimiento de muros con una o varias capas de arena fina y cemento, llamada mortero y cuyo fin es el de emparejar la superficie que va a recibir un tipo de acabado tal como pinturas o forros, dándole así mayor resistencia y estabilidad a los muros. También recibe el nombre de repello, friso, pañete o aplanado.
Se distinguen dos clases de revoque:
Revoque liso: Es el que se hace para obtener una superficie lisa y pareja. Utilizado en espacios interiores como alcobas, sala, comedor yen exteriores en fachadas y patios.
Revoque rústico: Se hace para obtener una superficie dispareja y se le da a ciertos tipos de superficies que van a quedar expuestas sin más recubrimientos. El revoque rústico puede tener diferentes modalidades como: rústico, áspero, rustico asentado, rustico con gravilla, rustico ganteado. Se utiliza normalmente en fachadas, patios y cielorrasos o en ocasiones en el interior de la edificación.
Puntera: Parte de la base del muro (cimiento) que queda debajo del intradós y no introducida bajo el terreno contenido.
Tacón: Parte del cimiento que se introduce por el suelo, en el muro para ofrecer una mayor sujeción.
Talón: Parte del cimiento opuesta a la puntera, queda por debajo del trasdós y bajo el terreno contenido.
Alzado o cuerpo: Parte del muro que se levanta a partir de los cimientos y que tiene uña altura y grosor determinados en función de la carga a soportar.
Intradós: Superficie externa del alzado.
Trasdós: Superficie interna del alzado, está en contacto con el terreno.
La pintura de muros es una tarea destinada a preservar y decorar cualquier tipo de superficie en una construcción. Cada superficie exige un tipo de pintura especial, así como
una herramienta adecuada para su aplicación. La pintura de muros tiene una doble finalidad:
Básicamente proteger las superficies para preservarlas de los agentes atmosféricos y climáticos, así como de los deterioros producidos en la edificación por el uso, tales como manchas, salpicaduras, rayones, además de la mugre generada por el polvo y la contaminación ambiental. Esta protección se logra porque la pintura forma una película delgada y resistente a estos efectos.
Aparte de esto, la pintura aporta el color a la superficie de muros interiores o exteriores. Éste aspecto decorativo es de gran importancia, porque permite cambiar la apariencia y efecto de una habitación o fachada.
Las pinturas más utilizadas para la protección y decoración de muros son:
Vinilos: Este tipo de pintura se produce con base en emulsiones acrílicas (sintéticas); se puede aplicar sobre mampostería, enyesados, revoques, rústicos y en otras superficies como
madera, asbesto, cemento e incluso sobre metal no ferroso.
De acuerdo con la norma ICONTEC 1335, las pinturas a base de agua (vinilos) se clasifican en 3 tipos:
Todos los vinilos deben mantenerse líquidos, a temperatura ambiente, sin forzar la descornposlción y sin que sus componentes se separen. En caso de formar precipitados, (decantación de sólidos o pigmentos) estos se deben incorporar fácilmente con agitación manual sin formar espuma.
Aplicados en ambientes normalmente ventilados, los vinilos no deben presentar olores irritantes antes, durante o después de aplicados.
Transcurridas 24 horas de secado, no debe tener ningún olor, su color debe ser uniforme y no debe mostrar diferencias apreciables entre manos (tandas) aplicadas.
Características de los vinilos:
Acabado: Mate
Disolvente: Agua ay 4 máximo por galón
Aplicación: Brocha, rodillo y pistola sin aire
Secamiento: 2 a 3 horas entre manos
Rendimiento: 11 a 14 m2 por litro
Recomendación: No se debe lavar la superficie pintada antes de 30 días
Barnices:
Son resinas sintéticas, alquidicas o fenolicas, diluidas en líquidos volátiles, de múltiple aplicación, para protección de muros de ladrillo a la vista y concreto, revoque y piedra, además de superficies metálicas y de madera, interiores y exteriores.
Características de los barnices:
Color: Transparente
Acabado: Brillante
Disolvente: Disolvente de fabrica o varsol
Aplicación: Brocha, pistola o rodillo
Secado: al tacto 6 horas, entre manos 8 horas
Número de manos: Son indispensables 2 manos como mínimo para obtener un fino acabado de alto brillo.
Esmaltes:
Aceites sintéticos o base de resina alquídica (de secamiento por oxidación al aire) formulados con propiedades de lavabilidad, resistentes a aceites, grasas y disolventes alifáticos (kerosene, varsol).
Resisten temperaturas hasta los 1000C en seco. La película de los esmaltes es brillante flexible de muy buena adherencia y nivelación.
Características de los esmaltes:
Color: Variados
Acabado: Brillante, semimate y mate
Disolvente: Disolvente de fabrica o varsol
Aplicación: Brocha, pistola o rodillo
Secado: al tacto 6 horas, entre manos 8 horas
Evite durante la aplicación el fuego, las chispas, las altas temperaturas y la inhalación prolongada de los vapores. En lugares encerrados use máscara con aire.
Las brochas:
Son instrumentos formados por un haz espeso de pelos, sujetos con firmeza en el extremo de un mango de madera, empleados para repartir la pintura. Las brochas se utilizan para aplicar vinilos, barnices y esmaltes. Producen un acabado fino y agradable.
Tamaños' V:" 1" 11/2" 2" 21/2" 3" 3 1/2"4" 5" 6" '"Existen en el comercio diferentes calidades de brochas sea por los pelos, mango o refuerzo. Los pelos pueden ser de fibra sintética o animal. El acabado de un muro depende de la brocha utilizada.
Para seleccionar una brocha, observe la calidad de sus componentes:
Los rodillos:
La aplicación por rodillo ofrece funcionalidad, rapidez y economía en la aplicación de pintura de muros y cielorrasos; son útiles para cubrir grandes superficies pero poco prácticos para detalles o rincones.
Tamaños: El tamaño de los rodillos oscila entre 4 y 45 cm. de largo, pero los tamaños más corrientes son 8, lO, 18 Y 22 cm y un diámetro de 4 a 6 cm.
Tipos de rodillos:
Todas las herramientas, especialmente las que entran en contacto con la pintura como son brochas, rodillos, baldes, cubetas y espátulas, deben limpiarse con agua cuando se pinta con vinilo, y con disolvente en el caso de barnices o esmaltes.
La limpieza de la herramienta se ejecuta inmediatamente después de usada para evitar el endurecimiento causado por la pintura.
En las pinturas aplicadas sobre muros (vinilos, barnices, esmaltes), frecuentemente se encuentran defectos durante su aplicación o uso de las superficies pintadas. A continuación se estudiaran estos problemas más frecuentes y la forma de evitarlos.
El desprendimiento es casi siempre una consecuencia de una preparación deficiente de la superficie. Todo tipo de contaminación que impida el contacto directo de la pintura con la superficie debe eliminarse completamente antes de pintar.
La humedad es el principal riesgo y la causa más frecuente de la pérdida de adherencia, de pintura aplicada sobre estucos, revoques y mampostería.
Cuando la superficie es nueva, se debe dejar secar por completo, si es antigua se buscará la causa de la humedad y será corregida. En cuanto a la aplicación, 3 pueden ser las causas de mala adherencia:
El espesor de la capa demasiado gruesa.
La falta de secamiento entre manos.
por el contrario, el secamiento excesivo entre manos.
Todas las pinturas de secamiento al aire traen "aditivos antinatas", pero luego de destapar y agitar el tarro, estos aditivos se evaporan. Para mantener la formación de natas se debe:
Mantener bien tapados los envases cuando no se están utilizando.
Evitar la exposición y almacenamiento a temperaturas por encima de los 25°C.
Agregar al tarro una pequeña cantidad de disolvente apropiado a la pintura (suficiente para cubrir apenas la superficie del vinilo o barniz) y sin agitar se tapa bien el envase.
Con esto se impide el contacto del producto con el aire y por tanto su secamiento superficial.
Se presenta como la formación de burbujas de diferentes tamaños en la pintura aplicada; es causada por la humedad, grasas o aceites en la superficie sobre la que se ha aplicado la pintura.
Una buena preparación de la superficie evita esta falla.
Los materiales de construcción como el concreto, el cemento, los ladrillos y algunos estucos son frecuentemente alcalinos. La humedad sumada al álcalis de estos materiales, ataca las pinturas de aceite (barniz esmalte) decolorándolas e incluso reblandeciéndolas y haciéndolas pegajosas. Para evitar éstos problemas se debe:
Dejar secar muy bien la superficie antes de pintar.
Brillo: En las pinturas mate o semi mate el exceso de brillo es producto de una agitación deficiente de la pintura antes de aplicarla. Una buena homogenización de la pintura evita el brillo.
Barnices y esmaltes aplicados en capas demasiado gruesas, que permanecen blandas y sin secar interiormente durante mucho tiempo crean este problema.
Para corregirlo:
Deje secar por completo el barniz corrugado.
Lije hasta emparejar la zona.
Limpie y repinte hasta obtener un acabado uniforme.
Barnices y esmaltes aplicados en capas demasiado gruesas, que permanecen blandas y sin secar interiormente durante mucho tiempo crean este problema.
Para corregirlo:
Deje secar por completo el barniz corrugado.
Lije hasta emparejar la zona.
Limpie y repinte hasta obtener un acabado uniforme.
Las grietas en vinilo o barnices aplicados, pueden ser superficiales o tan profundas que dejan al descubierto la superficie de aplicación. Las causas principales del cuarteamiento son:
Dilución con disolvente inapropiado y utilización de pinturas sobre superficies no recomendadas.
Es causado por la aplicación de capas muy espesas de pintura, sobre superficies verticales, o por el exceso de
diluyente en la pintura, además es causado por el exceso en la técnica de aplicación (exceso de pintura). Si el chorreo se nota cuando la pintura no ha secado se corrige por medio de brocha o rodillo; si ha secado la pintura, lije y repinte hasta emparejar el acabado
Los sólidos de la pintura, especialmente los pigmentos, durante el almacenamiento se decantan. Si dichos materiales no se incorporan al resto de la pintura, se disminuye el poder de cubrimiento, varía el color, aumenta el brillo y se rebaja el rendimiento. Todos estos problemas se evitan fácilmente agitando muy bien la pintura con la espátula hasta homogeneizarla.
El rendimiento de una pintura se mide por la cantidad de metros cuadrados de superficie bien pintada por galón o litro del producto. Ésta medida varía de acuerdo con:
El estado de la superficie.
El sistema.
Condiciones de la aplicación.
Las causas de bajo rendimiento de las pinturas son:
maneras para exponer el agregado fino o grueso en los productos terminados.
Para esto es necesario emplear métodos como el cepillado y el lavado a edad temprana, el retardo de la superficie, el chorro de agua a alta presión, el lavado con ácido, sopleteado con arena, el martelinado u otro acabado mecánico.
Cada uno de los métodos puede poner requisitos adicionales para los agregados, en cuanto a la forma, tamaño, textura y color.
Se debe tener en cuenta el área total y la distancia a la cual se espera que esté el observador, para así, determinar el tamaño del agregado; además, es consabido que las superficies tratadas son más vulnerables a la contaminación atmosférica, por tanto, debe tomarse en cuenta la forma del agregado ya que esta puede cambiar el tono general de la superficie, por estar expuesta a la intemperie. Los agregados redondos tienden a concentrar menos el polvo dirigido por el viento, mientras que los agregados ásperos son todo lo contrario.
Es importante resaltar que para retrasar el fraguado de la pasta de cemento de la superficie, de manera que el agregado pueda exponerse con más facilidad, se utilizan aditivos retardantes.
Chorro de agua: El tiempo de aplicación está determinado según cada concreto, para obtener el relieve deseado en la superficie determinada sin que pierda el agregado. La resistencia mínima para el concreto sometido a chorro de agua debe ser de 105 Kg. / cm2 en compresión.
Lavado ácido: Se emplea el lavado de superficies de concreto, utilizando ácido muriático, para lograr el grabado y resaltar el color fuerte de la superficie del agregado expuesto.
Debe ser resistente al ácido (el cuarzo y el granito). Las calizas, las dolomitas y los mármoles, se decoloran o se disuelven por causa del elevado contenido de calcio. Este método se utiliza después de que el concreto logre una resistencia de 300 Kg./cm2 (14 días). No es recomendable para superficies verticales.
Sopleteado con arena: Se emplea para opacar la superficie cimbrada, para uniformar el color o para exponer el agregado del concreto. Posee unos grados de acabado que son:
Cepillado, en donde se remueve la capa de cemento y se expone el agregado fino sin relieve.
Ligero, en donde se expone el agregado fino o grueso y se hace uniforme el color; relieve máximo 1,5 mm.
Mediano, en donde se expone el agregado grueso con un ligero relieve; relieve máximo 1,6 mm.
Pesado, en donde se realza el agregado grueso de 6 y 12 mm, en superficies rugosas e irregulares.
El acabado para la exposición de agregados en las superficies de concreto, se puede llevar con varios procesos como lo son:
Martelinado: Se produce con la utilización de herramientas neumáticas con una martelina, cincelo un peine o aditamentos de múltiples puntas. Esto según el efecto de superficie deseado. Se requiere una resistencia de 280 Kg. / cm2, antes de realizarlo.
Punteado: Se agujera el concreto con un "punteador", de operación mecánica; su textura es más áspera que el martelinado y el resultado una textura gruesa o ligera según lo deseado.
Picado: Con el pico para texturas más burdas y el agregado debe ser más grande.
Cincelado: Con cincel se lograrán texturas burdas pero agradables. Se debe tener buen gusto para que la textura quede uniforme.
Es importante la cimbra que se vaya a utilizar; pues el acabado será como el negativo de una fotografía. En el caso particular, el concreto refleja exactamente como fue el molde que se utilizó; de tal manera se puede imaginar cómo es el molde, dando apariencia de concreto liso o con texturas de la cimbra utilizada.
Pulido: Es un proceso altamente laborioso, en especial en superficies verticales y superiores. Se realiza en trabajos con terrazo.
Recubrimiento transparente: Para reducir el ataque de materias químicas e industriales; para impedir manchas de la superficie, facilitar la limpieza de la misma e impedir el oscurecimiento.
Utilizado en estabilización de taludes o túneles, a la vez sirve como acabado. Su costo es elevado, ya que requiere de un equipo especial para lanzarlo; Además se desperdicia e ISO% del material. (No recuperable).
Por subgrupos de trabajo:
Es un concreto normal con un agente de color agregado. No se decolora, es durable, se debe evitar rayar, manchar o motear. Hay dos métodos de producción:
Utilizar cemento coloreado.
Utilizar el agente colorante.
Se producen concretos desde tonos grises y cafés hasta los beige y rojos cálidos. Las superficies de agregados expuestos, dependerán del color del agregado y del matiz del concreto coloreado. El contraste de agregados y el matiz es útil, dependiendo de la forma de exponerlos entre sí.
La remoción de la pasta de cemento superficial, mientras todavía es plástica, ya sea por lavado con agua o empleando un retardador de superficie, produce una vista muy diferente.
Tanto los agregados como el concreto coloreado, retienen su intensidad original de color y produce en general colores más brillantes.
Manchas:
Por oxidación: Causadas por el acero de refuerzo que al mojarse arrastra el óxido de las varillas.
Por eflorescencias: Causadas por aguas que tienen sales y provocan manchas blancuzcas.
Por escurrimiento: Aguas lluvias, aunando el polvo y otros agentes causan manchas gris negro, sobretodo en superficies verticales.
Diferencias en el acabado:
Coloración desigual: Por el empleo de cementos de diferentes marcas, por mucha segregación de materiales, pigmentos mal mezclados o cimbras no protegidas.
Líneas o rayas de arena: A diferentes intervalos y en forma horizontal provocada por la fuga de lechadas entre juntas de la cimbra o por disgregación de la mezcla.
Agregado expuesto desigual: Por disgregación de materiales, causado por un excesivo vibrado y mezclas mal diseñadas.
Producido por esfuerzos de comportamiento estructural.
No estructurales: En estado plástico se producen por asentimientos, sangrados y contracción plástica. En estado endurecido se produce por contracción térmica, por secado, corrosión del acero de refuerzo.
Estructurales: Causado por movimientos diferenciales, sobre cargas, deficiencias de diseños.
Causados porque el proceso de colado se suspende por razones imprevistas, falta de concreto, mal clima y otros). Los elementos colados se colocan en dos o más partes con diferencia de 3 o 4 horas.
Causa de ello es el agrietamiento, pues hay filtración de líquidos y gases, que desprende el concreto en pedazos.
Panel de abejas". Causada por falta de hermeticidad de la cimbra en el momento de colar.
Salientes delgadas de concreto endurecido, que se proyectan en el exterior del muro. Efecto desigual en el acabado.
Burbujas de aire atrapadas, que al contacto con la cimbra, aparecen como agujeros.
Causado por el mal vibrado y deficiente compactación.
Ataque del bióxido de carbono presente en el ambiente
1. Escoger tres (3) tipos de muros y presentar un informe detallando:
2. Por subgrupos de trabajo construir un (1) muro de 3 m2 en mampostería a la vista.
SENA, Servicio Nacional de Aprendizaje, Dirección General, Construcción: Construcción de Estructuras en Hormigón, Fundición de elementos en Hormigón, Sección de Publicaciones SENA Dirección General, Bogotá, Colombia 1986.
SENA, Servicio Nacional de Aprendizaje, Dirección General Construcción: Construcción de Estructuras en Hormigón, Construcción y Colocación de Elementos Prefabricados en Hormigón. Sección de Publicaciones SENA. Bogotá, Colombia 1986.
SENA, Servicio Nacional de Aprendizaje, Dirección General, Construcción: Construcción de Estructuras en Hormigón, Construcción de Elementos para Encofrados en Madera. Sección de Publicaciones SENA Dirección General Bogotá, Colombia 1986.
SENA, Servicio Nacional de Aprendizaje, Dirección General, Construcción: Construcción de Estructuras en Hormigón, Armado de Encofrados en Madera. Sección de Publicaciones SENA Dirección General Bogotá, Colombia 1986.
SENA, Servicio Nacional de Aprendizaje, Dirección General, Construcción: Construcción de Zapatas, Losas de Cimentación y Sobrecimientos. Sección de Publicaciones SENA Dirección General. Bogotá, Colombia 1989.
SENA, Servicio Nacional de Aprendizaje. Cartilla Autoconstrucción SENA-FAD. Serie: Autoconstrucción. Modulo 4: Cimientos Unidad 8: Cimientos Reforzados. Bogotá, Colombia 1983.
SENA, Servicio Nacional de Aprendizaje, Autoconstrucción SENA-FAD. Serie: Casa en Bloque Prefabricado y/o Ladrillo. Modulo 6: PREFABRICADOS Unidad 10: Bloques y Tubos .Bogotá, Colombia 1983.
CONSTRUCCIÓN DE CASAS SISMO RESISTENTES DE UNO Y DOS PISOS. Centro Nacional de la Construcción SENA Regional Antioquia - Universidad Nacional de Colombia. Guía de estudio: Muros Divisorios y de Carga. Medellín, Colombia 2002.
Escaneo y organización de textos Regional Caldas:
Luz Marelby Giraldo
Líder Biblioteca
José Julián Escobar
Auxiliar de Biblioteca
Cindy Nayely Taborda
Aprendiz Tecnóloga en asistencia administrativa
Equipo de gestión del Sistema de Bibliotecas:
Martha Luz Gutiérrez Ortega
Gestora Del Sistema De Bibliotecas SENA
Adriana Rincón Avendaño
Diseñadora Gráfica Líder Proyecto De Digitalización
Del SBS
Versión Digital:
Alberto Mario Angulo Flórez
Instructor SENA
Karime Andrea Montañez
Coordinadora a Cargo SBS
Brandon Steven Ramírez Carrero
Aprendiz Producción Multimedia SBS Centro de Gestión de Mercados, Logística y TIC’s
SENA – Bogotá

Centro de Gestión de Mercados, Logística y TIC’s
SENA – Bogotá
2012